0577-62755895

PRODUCTS

产品中心

ZL-35T户内联合胶装支柱绝缘子

更新时间:2026-03-29

访问量:74

手机号码:13968710797

电话号码:0577-62755895

传真号码:0577-62755895

电子邮箱:1605874299@qq.com

公司名称:乐清市川泰电力设备有限公司

公司地址:浙江省柳市长荣路1-7

服务热线

0577-62755895

立即咨询

产品分类

PRODUCT CLASSIFICATION
产品介绍

ZL-35T户内联合胶装支柱绝缘子

一、户内支柱绝缘子概述

    户内支柱绝缘子用于额定电压6~35kV户内电站,变电所配电装置及电器设备,用以绝缘和固定导电部分。
    绝缘子适用于周围环境温度为-40℃~+40℃,安装地点海拔高度普通型不超过1000m,高原型不超过4000m。
    绝缘子按胶装结构分为外胶装,内胶装和联合胶装三种结构型式,绝缘子按额定电压与抗弯强度等级分类如下:


额定电压

kV

抗弯强度kN

外胶装

内胶装

联合胶装

6

3.75,7.5

4

10

3.75,7.5,20

4,(7),8,16

4

20

20

30

35

(7.5)

4,(7.5),8


注:表中()表示非标准等级


二、绝缘子结构简介

    绝缘子由瓷件和上、下金属附件用胶合剂胶装而成。瓷件端面与金属附件胶装接触部位垫有弹性衬垫,瓷件胶装部位分别采用上砂、滚花、挖槽等结构,以保证机械强度、防止松动、扭转。瓷件表面均匀上白釉,金属附件表面涂灰磁漆。
    绝缘子瓷件主体结构有空腔隔板(可击穿式)结构和实心(不可击穿式)结构两种。联合胶装支柱绝缘子一般属实心不可击穿式结构。后一种结构比前一种结构提高了安全可靠性,减少了维护测试工作量。
    绝缘子瓷件外形有多棱或少棱两种,多棱形增加了沿面距离,电气性能优于少棱形,除将逐步淘汰的外胶装支柱绝缘子外,其余产品均为多棱形。
    内胶装结构,由于金属附件胶入瓷件孔内,相应的增加了绝缘距离,提高了电气性能,同时也缩小了安装时所占空间位置,但由于内胶装对提高机械强度不利,故机械强度要求较高的绝缘子,宜采用联合胶装(即上附件采用内胶装,下附件采用外胶装)。

三、技术标准

户内支柱绝缘子按国标GB8287.1~8287.2《高压支柱瓷绝缘子》制造。

四、型号说明

Z——户内外胶装支柱绝缘子;
ZN——户内内胶装支柱绝缘子;
ZL——户内联合胶装支柱绝缘子;
对于外胶装支柱绝缘子,破折号前字母L表示多棱式,字母A、B、D表示机械破坏负荷分别为3.75,7. 5,20kN。字母后分数,分子表示额定

电压千伏数,分母为机械破坏负荷kN数。
N——内胶装上下附件为单螺孔者;
Y——外胶装和联合胶装下附件为圆形者;
T——外胶装下附件为椭圆形者;
F——外胶装下附件为方形者;
G——高原型(老产品为GY)

ZAW-10Y户内外胶装支柱绝缘子

 

ZAW-10Y户内外胶装支柱绝缘子


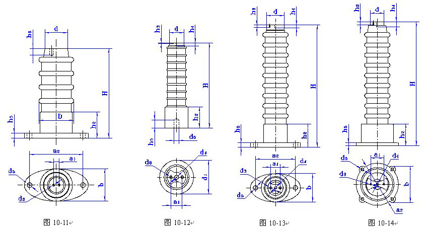
五、外形及安装尺寸

ZL-10/8户内联合胶装支柱绝缘子

 

ZL-10/8户内联合胶装支柱绝缘子


型号

图号

主要尺寸mm

重量kg

H

D

h1

h2

h3

h4

h5

d

d/b

d3

d4

d5

a1

a2

ZL-10/4G

10-11

210

90

-

60

18

-

15

70

112

2-M8

-

2-φ14

18

145

5.4

ZL-20/30

10-14

290

160

-

110

-

30

25

105

250

-

M20

4-φ18

-

250

24.6

ZL-35/4Y

10-12

380

90

-

60

8

20

25

62

114

2-M8

M10

M16

36

-

6.2

ZL-35/4

10-13

380

90

-

60

8

20

15

62

112

2-M8

M10

2-φ14

36

145

7.5

ZL-35/8

10-14

400

110

-

65

12

25

14

68

160

2-M10

M16

4-φ14

46

180

11.2

ZLA-35GY

10-13

445

100

-

64

8

20

14

62

120

2-M8

M10

2-φ12

36

150

9.3

ZLB-35GY

10-14

445

125

-

70

12

25

14

68

-

2-M10

M16

4-φ14

46

180

11.4

ZL-35/4G

10-14

535

110

-

65

12

25

18

68

-

2-M10

M16

4-φ14

46

180

14.0


 


型号

额定电压kv

工频电压kv r.m.s≮

全波冲击耐受电压kv peak ≮

抗弯及抗拉破坏负荷kn≮

适用海拔高度m

干耐受

击穿

ZL-10/4G

10

67

107

114

4

~4000

ZL-20/30

20

68

-

121

30

~1000

ZL-35/4Y

35

110

-

195

4

~1000

ZL-35/4

35

110

-

195

4

~1000

ZL-35/8

35

110

-

195

8

~1000

ZLA-35GY

35

138

-

244

4

~3000

ZLB-35GY

35

138

-

244

7.50

~3000

ZL-35/4G

35

157

-

279

4

~4000


 


产品型号

工厂代号

图号

主要尺寸mm

弯曲破坏负荷KN

工频干耐受电压KV

雷电冲击耐受电压KV

参考重量kg

H

D

d1

d2

a

b

ZL-10/4

P2221

1

160

72

M10

12

130

/

4

42

75

2.2

ZL-10/8

P2222

1

170

86

M16

14

145

/

8

42

75

4.6

ZL-10/16

P2223

2

185

110

M16

14

/

180

16

42

75

6.1

ZL-20/16

P2224

2

265

125

M16

14

/

210

16

68

125

15.2

ZL-20/30

P2225

2

290

160

M20

20

/

250

30

68

125

20


 

六、订货须知

1. 订货时应注明型号及工厂代号。
2. 图号供参考,户内有公称爬距的瓷件带伞裙。


在线留言

留言框

  • 产品:

  • 您的姓名:

  • 联系电话:

  • 常用邮箱:

  • 补充说明:

  • 验证码:

服务热线
0577-62755895

扫码加微信