服务热线
0577-62755895

更新时间:2026-03-29
访问量:53
手机号码:13968710797
电话号码:0577-62755895
传真号码:0577-62755895
电子邮箱:1605874299@qq.com
公司名称:乐清市川泰电力设备有限公司
公司地址:浙江省柳市长荣路1-7
服务热线
0577-62755895
产品分类
户内支柱绝缘子用于额定电压6~35kV户内电站,变电所配电装置及电器设备,用以绝缘和固定导电部分。
绝缘子适用于周围环境温度为-40℃~+40℃,安装地点海拔高度普通型不超过1000m,高原型不超过4000m。
绝缘子按胶装结构分为外胶装,内胶装和联合胶装三种结构型式,绝缘子按额定电压与抗弯强度等级分类如下:
额定电压 kV | 抗弯强度kN | ||
外胶装 | 内胶装 | 联合胶装 | |
6 | 3.75,7.5 | 4 | — |
10 | 3.75,7.5,20 | 4,(7),8,16 | 4 |
20 | 20 | — | 30 |
35 | — | (7.5) | 4,(7.5),8 |
注:表中()表示非标准等级
绝缘子由瓷件和上、下金属附件用胶合剂胶装而成。瓷件端面与金属附件胶装接触部位垫有弹性衬垫,瓷件胶装部位分别采用上砂、滚花、挖槽等结构,以保证机械强度、防止松动、扭转。瓷件表面均匀上白釉,金属附件表面涂灰磁漆。
绝缘子瓷件主体结构有空腔隔板(可击穿式)结构和实心(不可击穿式)结构两种。联合胶装支柱绝缘子一般属实心不可击穿式结构。后一种结构比前一种结构提高了安全可靠性,减少了维护测试工作量。
绝缘子瓷件外形有多棱或少棱两种,多棱形增加了沿面距离,电气性能优于少棱形,除将逐步淘汰的外胶装支柱绝缘子外,其余产品均为多棱形。
内胶装结构,由于金属附件胶入瓷件孔内,相应的增加了绝缘距离,提高了电气性能,同时也缩小了安装时所占空间位置,但由于内胶装对提高机械强度不利,故机械强度要求较高的绝缘子,宜采用联合胶装(即上附件采用内胶装,下附件采用外胶装)。
户内支柱绝缘子按国标GB8287.1~8287.2《高压支柱瓷绝缘子》制造。
Z——户内外胶装支柱绝缘子;
ZN——户内内胶装支柱绝缘子;
ZL——户内联合胶装支柱绝缘子;
对于外胶装支柱绝缘子,破折号前字母L表示多棱式,字母A、B、D表示机械破坏负荷分别为3.75,7. 5,20kN。字母后分数,分子表示额定
电压千伏数,分母为机械破坏负荷kN数。
N——内胶装上下附件为单螺孔者;
Y——外胶装和联合胶装下附件为圆形者;
T——外胶装下附件为椭圆形者;
F——外胶装下附件为方形者;
G——高原型(老产品为GY)




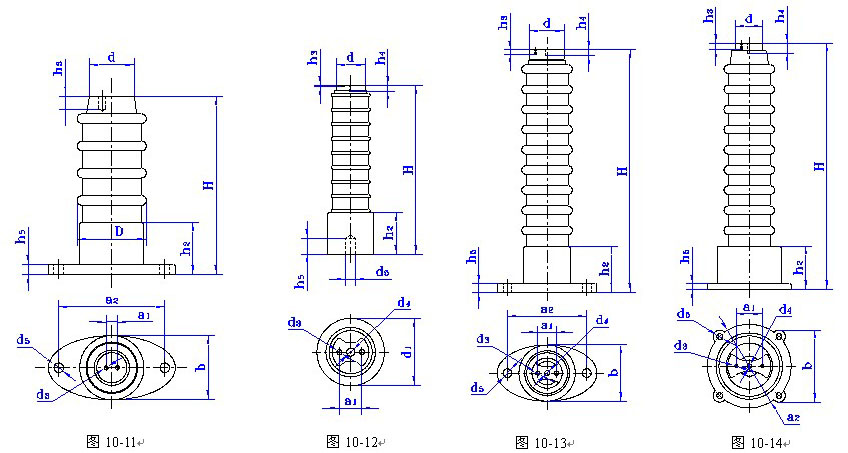
型号 | 图号 | 主要尺寸mm | 重量kg | |||||||||||||
H | D | h1 | h2 | h3 | h4 | h5 | d | d/b | d3 | d4 | d5 | a1 | a2 | |||
ZL-10/4G | 10-11 | 210 | 90 | - | 60 | 18 | - | 15 | 70 | 112 | 2-M8 | - | 2-φ14 | 18 | 145 | 5.4 |
ZL-20/30 | 10-14 | 290 | 160 | - | 110 | - | 30 | 25 | 105 | 250 | - | M20 | 4-φ18 | - | 250 | 24.6 |
ZL-35/4Y | 10-12 | 380 | 90 | - | 60 | 8 | 20 | 25 | 62 | 114 | 2-M8 | M10 | M16 | 36 | - | 6.2 |
ZL-35/4 | 10-13 | 380 | 90 | - | 60 | 8 | 20 | 15 | 62 | 112 | 2-M8 | M10 | 2-φ14 | 36 | 145 | 7.5 |
ZL-35/8 | 10-14 | 400 | 110 | - | 65 | 12 | 25 | 14 | 68 | 160 | 2-M10 | M16 | 4-φ14 | 46 | 180 | 11.2 |
ZLA-35GY | 10-13 | 445 | 100 | - | 64 | 8 | 20 | 14 | 62 | 120 | 2-M8 | M10 | 2-φ12 | 36 | 150 | 9.3 |
ZLB-35GY | 10-14 | 445 | 125 | - | 70 | 12 | 25 | 14 | 68 | - | 2-M10 | M16 | 4-φ14 | 46 | 180 | 11.4 |
ZL-35/4G | 10-14 | 535 | 110 | - | 65 | 12 | 25 | 18 | 68 | - | 2-M10 | M16 | 4-φ14 | 46 | 180 | 14.0 |
型号 | 额定电压kv | 工频电压kv r.m.s≮ | 全波冲击耐受电压kv peak ≮ | 抗弯及抗拉破坏负荷kn≮ | 适用海拔高度m | |
干耐受 | 击穿 | |||||
ZL-10/4G | 10 | 67 | 107 | 114 | 4 | ~4000 |
ZL-20/30 | 20 | 68 | - | 121 | 30 | ~1000 |
ZL-35/4Y | 35 | 110 | - | 195 | 4 | ~1000 |
ZL-35/4 | 35 | 110 | - | 195 | 4 | ~1000 |
ZL-35/8 | 35 | 110 | - | 195 | 8 | ~1000 |
ZLA-35GY | 35 | 138 | - | 244 | 4 | ~3000 |
ZLB-35GY | 35 | 138 | - | 244 | 7.50 | ~3000 |
ZL-35/4G | 35 | 157 | - | 279 | 4 | ~4000 |
产品型号 | 工厂代号 | 图号 | 主要尺寸mm | 弯曲破坏负荷KN | 工频干耐受电压KV | 雷电冲击耐受电压KV | 参考重量kg | |||||
H | D | d1 | d2 | a | b | |||||||
ZL-10/4 | P2221 | 1 | 160 | 72 | M10 | 12 | 130 | / | 4 | 42 | 75 | 2.2 |
ZL-10/8 | P2222 | 1 | 170 | 86 | M16 | 14 | 145 | / | 8 | 42 | 75 | 4.6 |
ZL-10/16 | P2223 | 2 | 185 | 110 | M16 | 14 | / | 180 | 16 | 42 | 75 | 6.1 |
ZL-20/16 | P2224 | 2 | 265 | 125 | M16 | 14 | / | 210 | 16 | 68 | 125 | 15.2 |
ZL-20/30 | P2225 | 2 | 290 | 160 | M20 | 20 | / | 250 | 30 | 68 | 125 | 20 |
1. 订货时应注明型号及工厂代号。
2. 图号供参考,户内有公称爬距的瓷件带伞裙。