服务热线
0577-62755895

更新时间:2026-03-26
访问量:86
手机号码:13968710797
电话号码:0577-62755895
传真号码:0577-62755895
电子邮箱:1605874299@qq.com
公司名称:乐清市川泰电力设备有限公司
公司地址:浙江省柳市长荣路1-7
服务热线
0577-62755895
产品分类
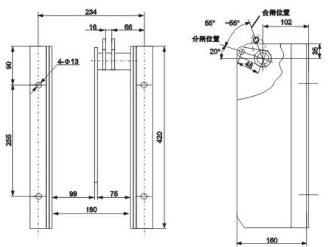
CT19型弹簧操动机构可供操动各类手车式开关柜中ZN28型系列高压真空断路器及其合闸与相当的其它类型的真空断路器只用,其性能符合GB1984《交流高压断路器》和本产品《技术条件》的要求,各项指标均达到和超过“IEC”标准。
机构合闸弹簧的储能方式有电动机储能和手动储能两种;分闸操作有分闸电磁铁,过电流脱扣电磁铁及手动按钮操作三种;合闸操作有合闸电磁铁及手动按钮操作两种。
