服务热线
0577-62755895

更新时间:2026-03-26
访问量:74
手机号码:13968710797
电话号码:0577-62755895
传真号码:0577-62755895
电子邮箱:1605874299@qq.com
公司名称:乐清市川泰电力设备有限公司
公司地址:浙江省柳市长荣路1-7
服务热线
0577-62755895
产品分类
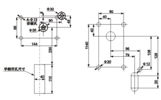
CD17型主要适用于ZN28-12系列手车式户内高压真空断路器,也可用于其它频繁操作的断路器。
CD17A型主要适用于各类固定式开关柜与ZN28A-12分装式户内高压真空断路器配套使用。
上述两个系列产品使用直流电源,配户内真空断路器能进行电动合分、手动分闸、遥控分闸及自动重合闸操作,并具有自由脱扣功能。
