服务热线
0577-62755895

更新时间:2026-03-27
访问量:71
手机号码:13968710797
电话号码:0577-62755895
传真号码:0577-62755895
电子邮箱:1605874299@qq.com
公司名称:乐清市川泰电力设备有限公司
公司地址:浙江省柳市长荣路1-7
服务热线
0577-62755895
产品分类
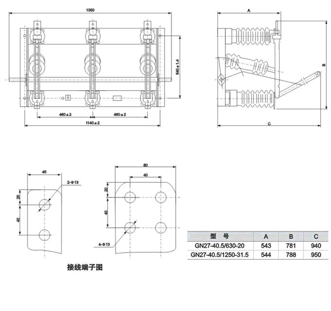
GN27-40.5户内高压隔离开关,是三相交流50Hz的高压开关设备,用于电压35kv的电力系统中,作为有电压无载的情况下分、合电路之用。配用CS6-2手动型操动机构或CX6电动机构。
1.设计科学、合理、结构新颖;
2.多触点,旋转式接触,自清扫能力好,提高散热能力;
3.接触点在两个面内,操作力矩小、耐压力大,易调整;
4.采用在爬距,加强绝缘能力、耐受电压均满足要求;
5.在转轴上加装轴承,使用寿命提高,操作轻便。
型号 | 额定电压kv | 额定电流A | 额定短时耐受电流有效值/时间 KA/4s | 额定峰值耐受电流kA | 雷电冲击耐受电压kV | 1min工频耐受电压Kv | ||
对地及极间 | 断口 | 对地及极间 | 断口 | |||||
GN27-41.5CD/630-20 | 40.5 | 630 | 20/4S | 50 | 185 | 215 | 95 | 115 |
GN27-41.5CD/1250-31.5 | 40.5 | 1250 | 31.5/4S | 80 | 185 | 215 | 95 | 115 |
