服务热线
0577-62755895

更新时间:2026-03-29
访问量:67
手机号码:13968710797
电话号码:0577-62755895
传真号码:0577-62755895
电子邮箱:1605874299@qq.com
公司名称:乐清市川泰电力设备有限公司
公司地址:浙江省柳市长荣路1-7
服务热线
0577-62755895
产品分类
户内支柱绝缘子用于额定电压6~35kV户内电站,变电所配电装置及电器设备,用以绝缘和固定导电部分。
绝缘子适用于周围环境温度为-40℃~+40℃,安装地点海拔高度普通型不超过1000m,高原型不超过4000m。
绝缘子按胶装结构分为外胶装,内胶装和联合胶装三种结构型式,绝缘子按额定电压与抗弯强度等级分类如下:
额定电压 kV | 抗弯强度kN | ||
外胶装 | 内胶装 | 联合胶装 | |
6 | 3.75,7.5 | 4 | — |
10 | 3.75,7.5,20 | 4,(7),8,16 | 4 |
20 | 20 | — | 30 |
35 | — | (7.5) | 4,(7.5),8 |
注:表中()表示非标准等级
绝缘子由瓷件和上、下金属附件用胶合剂胶装而成。瓷件端面与金属附件胶装接触部位垫有弹性衬垫,瓷件胶装部位分别采用上砂、滚花、挖槽等结构,以保证机械强度、防止松动、扭转。瓷件表面均匀上白釉,金属附件表面涂灰磁漆。
绝缘子瓷件主体结构有空腔隔板(可击穿式)结构和实心(不可击穿式)结构两种。联合胶装支柱绝缘子一般属实心不可击穿式结构。后一种结构比前一种结构提高了安全可靠性,减少了维护测试工作量。
绝缘子瓷件外形有多棱或少棱两种,多棱形增加了沿面距离,电气性能优于少棱形,除将逐步淘汰的外胶装支柱绝缘子外,其余产品均为多棱形。
内胶装结构,由于金属附件胶入瓷件孔内,相应的增加了绝缘距离,提高了电气性能,同时也缩小了安装时所占空间位置,但由于内胶装对提高机械强度不利,故机械强度要求较高的绝缘子,宜采用联合胶装(即上附件采用内胶装,下附件采用外胶装)。
户内支柱绝缘子按国标GB8287.1~8287.2《高压支柱瓷绝缘子》制造。
Z——户内外胶装支柱绝缘子;
ZN——户内内胶装支柱绝缘子;
ZL——户内联合胶装支柱绝缘子;
对于外胶装支柱绝缘子,破折号前字母L表示多棱式,字母A、B、D表示机械破坏负荷分别为3.75,7. 5,20kN。字母后分数,分子表示额定电压千伏数,分母为机械破坏负荷kN数。
N——内胶装上下附件为单螺孔者;
Y——外胶装和联合胶装下附件为圆形者;
T——外胶装下附件为椭圆形者;
F——外胶装下附件为方形者;
G——高原型(老产品为GY)


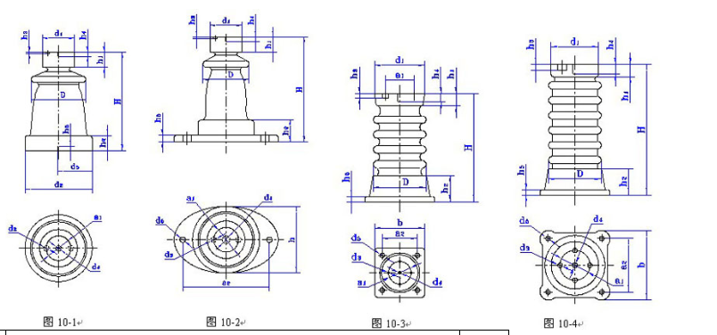
型号 | 图号 | 主要尺寸mm | 重量kg | |||||||||||||
H | D | h1 | h2 | h3 | h4 | h5 | d1 | d2/b | d3 | d4 | d5 | a1 | a2 | |||
ZA-6Y | 10-1 | 165 | 86 | 27 | 36 | 6 | 13 | 20 | 62 | 106 | 2-M6 | M10 | M12 | 36 | - | 2.1 |
ZA-6T | 10-2 | 165 | 86 | 27 | 36 | 6 | 13 | 10 | 62 | 110 | 2-M6 | M10 | 2-Φ12 | 36 | 135 | 2.3 |
ZB-6Y | 10-1 | 185 | 106 | 38 | 48 | 7 | 18 | 22 | 82 | 129 | 2-M10 | M16 | M16 | 46 | - | 4.2 |
ZB-6T | 10-2 | 185 | 106 | 38 | 46 | 7 | 18 | 12 | 82 | 140 | 2-M10 | M16 | 2-Φ15 | 46 | 175 | 4.9 |
ZA-10Y | 10-1 | 190 | 86 | 27 | 36 | 6 | 13 | 20 | 66 | 110 | 2-M6 | M10 | M12 | 36 | - | 2.25 |
ZA-10T | 10-2 | 190 | 86 | 27 | 36 | 6 | 13 | 10 | 62 | 110 | 2-M6 | M10 | 2-Φ12 | 36 | 135 | 2.5 |
ZB-10Y | 10-1 | 215 | 106 | 38 | 48 | 7 | 18 | 22 | 82 | 129 | 2-M10 | M16 | M16 | 46 | - | 4.6 |
ZB-10T | 10-1 | 215 | 106 | 38 | 46 | 7 | 18 | 12 | 82 | 140 | 2-M10 | M16 | 2-Φ15 | 46 | 175 | 5.24 |
ZLD-10F | 10-3 | 215 | 110 | 46 | 65 | 14 | 22 | 18 | 160 | 160 | 4-M12 | M16 | 4-Φ15 | 76 | 125 | 9.5 |
10kv/3.75kN | 10-1 | 190 | 110 | 27 | 36 | 6 | 13 | 20 | 66 | 110 | 2-M6 | M10 | M12 | 36 | - | 2.8 |
10kv/7.5kN | 10-2 | 215 | 126 | 38 | 48 | 7 | 18 | 12 | 82 | 135 | 2-M10 | M16 | 2-Φ15 | 46 | 175 | 6.0 |
10kV/20kN | 10-3 | 215 | 110 | 46 | 65 | 14 | 22 | 18 | 160 | 192 | 4-M12 | M16 | 4-Φ15 | 76 | 155 | 10.9 |
10kv/20kN | 10-3 | 215 | 110 | 46 | 65 | 14 | 22 | 18 | 160 | 160 | 4-M12 | M16 | 4-Φ15 | 76 | 125 | 10.9 |
ZLD-20F | 10-4 | 315 | 143 | 46 | 80 | 14 | 22 | 18 | 128 | 195 | 4-M12 | M18 | 4-Φ18 | 76 | 155 | 16 |
型号 | 额定电压kv | 工频电压kv r.m.s≮ | 全波冲击耐受电压kV peak≮ | 抗弯及抗拉破坏负荷kN ≮ | 公称爬电距离mm | |
干耐受 | 击穿 | 60 | ||||
ZA-6Y | 6 | 36 | 58 | 60 | 3.75 | - |
ZA-6T | 6 | 36 | 58 | 60 | 3.75 | - |
ZB-6Y | 6 | 36 | 58 | 60 | 7.50 | - |
ZB-6T | 6 | 36 | 58 | 80 | 7.50 | - |
ZA-10Y | 10 | 47 | 75 | 80 | 3.75 | - |
ZA-10T | 10 | 47 | 75 | 80 | 3.75 | - |
ZB-10Y | 10 | 47 | 75 | 80 | 7.50 | - |
ZB-10T | 10 | 47 | 75 | 80 | 7.50 | - |
ZLD-10F | 10 | 47 | 75 | 80 | 20 | - |
10kv/3.75kN | 10 | 47 | 75 | 80 | 3.75 | - |
10kv/7.5kN | 10 | 47 | 75 | 80 | 7.50 | 230 |
10kV/20kN | 10 | 47 | 75 | 80 | 20 | 230 |
10kv/20kN | 10 | 47 | 75 | 80 | 20 | 上下法兰均为球铁 |
ZLD-20F | 20 | 75 | - | 125 | 20 | - |

产品型号 | 工厂代号 | 图号 | 主要尺寸mm | 机械破坏负荷kN | 工频电压KV | 雷电冲击耐受电压KV | 参考重量kg | ||||||||
H | D | d1 | d2 | d3 | a1 | a2 | 弯曲 | 拉伸 | 干耐受 | 击穿 | |||||
ZA-35Y | P2216 | 1 | 380 | 120 | M10 | M8 | M16 | 36 | 36 | 3.75 | 3.75 | 100 | 175 | 185 | 6.8 |
ZA-35T | P2217 | 2 | 380 | 120 | M10 | M8 | / | / | 175 | 3.75 | 3.75 | 100 | 175 | 185 | 7.2 |

产品型号 | 工厂代号 | 图号 | 主要尺寸mm | 机械破坏负荷kN | 工频电压KV | 雷电冲击耐受电压KV | 参考重量kg | ||||||||
H | D | d1 | d2 | d3 | a1 | a2 | 弯曲 | 拉伸 | 干耐受 | 击穿 | |||||
ZC-10F | P2218 | 1 | 225 | 135 | M16 | M10 | 15 | 66 | 140 | 12.5 | 12.5 | 42 | 74 | 75 | 8.0 |
ZD-10F | P2219 | 1 | 235 | 170 | M16 | M12 | 15 | 76 | 155 | 155 | 20 | 42 | 74 | 75 | 12.2 |
ZD-20F | P2220 | 2 | 315 | 180 | M18 | M12 | 18 | 76 | 175 | 175 | 20 | 68 | 119 | 125 | 16.5 |
1. 订货时应注明型号及工厂代号。
2. 图号供参考,户内有公称爬距的瓷件带伞裙。