0577-62755895

PRODUCTS

产品中心

当前位置:首页 >> 产品中心 >> 触头盒

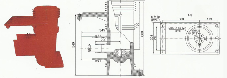
40.5KV触头盒(带屏蔽)

更新时间:2026-03-26

访问量:48

手机号码:13968710797

电话号码:0577-62755895

传真号码:0577-62755895

电子邮箱:1605874299@qq.com

公司名称:乐清市川泰电力设备有限公司

公司地址:浙江省柳市长荣路1-7

服务热线

0577-62755895

立即咨询

产品分类

PRODUCT CLASSIFICATION
产品介绍

1a.jpg

在线留言

留言框

  • 产品:

  • 您的姓名:

  • 联系电话:

  • 常用邮箱:

  • 补充说明:

  • 验证码:

服务热线
0577-62755895

扫码加微信