服务热线
0577-62755895

更新时间:2026-03-26
访问量:93
手机号码:13968710797
电话号码:0577-62755895
传真号码:0577-62755895
电子邮箱:1605874299@qq.com
公司名称:乐清市川泰电力设备有限公司
公司地址:浙江省柳市长荣路1-7
服务热线
0577-62755895
产品分类
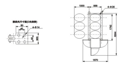
DW8-35高压多油断路器系三相交流50Hz户外高压电器设备,配用CD11-Ⅺ型直流电磁操动机构,适用于35kv输配电系统的控制和保护。每台产品只能附装两种CT(型号、电流比规格都完全相同时才是同一种CT),数量最多为12只。
项目 | 单位 | 数据 |
额定电压 | KV | 35 |
额定工作电压 | KV | 40.5 |
额定电流 | A | 1000 |
额定开断电流 | KA | 16.5 |
额定开断容量 | MVA | 1000 |
额定关合电流(峰值) | KA | 41 |
动稳定电流(峰值) | KA | 41 |
4秒热稳定电流 | KA | 16.5 |
自动重合闸无电流间隔时间 | S | 0.5 |
额定操作循环 | 分0.5s-合分-180s-合分 | |
机构额定合闸电压(直流) | V | 110/220 |
机构合闸电流 | A | 200、100 |
机构额定分闸电压(直流) | V | 110/220 24/48 |
机构分闸电流 | A | 5/2.5 37/18.5 |
瓷套泄漏比 | cm/kv | 2.5 |
重量(无油) | Kg | 1470 |
油重 | kg | 380 |

